0、はじめに

先日スピーカーレスの中古車を購入。スマホスタンドを設置しスマホの内蔵スピーカーで聴いていましたが、クルマは18年落ちの過走行軽。ロードノイズでナビの道案内が良く聴く取れずオーディオ設置を決意しました。
当初は学生時代チャリオーディオ用に改造した手持ちのスピーカー内蔵カーラジオ
スピーカー内蔵カーラジオの改造 Ver1
を取り付けようとしましたが、ヤフオクを見ているとワイドFMのスピーカー内蔵カーラジオを発見!
ということで新規で購入し改造しました。
出品されている物を調べると、このラジオはAM専用時代にはダイハツ向けだったようですが、今ではスズキ向けにも使用されているようです。今回入手したのはキャリイ用の物です。
<ご注意>
・このサイトを参考に改造を行ったことにより事故がおきましても、筆者は一切責任を取ることはできません。必ず自己責任で実施してください。
・出品されている物をみると、このラジオは同じ見た目でモデルチェンジを繰り返しているようです。(品番が変わっています)
本記事で紹介する写真・回路は、「39101-82M12」の物です。モデルチェンジにより基板上の部品番号等が変更になっている可能性がありますので、事故防止のため改造される際はお持ちのラジオをご自身でパターントレースして回路をご確認いただきますようお願いいたします。
例えば見た目が似ている39101-82M20は中身が全く異なります。
Sponsored Link
1、ピン配置と調査

分解してコネクタを調査しました。メイン電源、アクセサリ電源だけでなく、外部スピーカー端子が用意されています。
なお、外部スピーカーは内蔵スピーカーと並列になっているだけで、アンプはモノラル(LA4425)でした。
以前分解したSANYOのラジオには外部出力は設けられていませんでしたが、こちらのラジオはサブウーハーやツイーターの接続も簡単にできそうです。

基板を見てみると、電子ボリュームは使用されておらず、チューナーモジュールから出てきた音声信号を、そのまま音量調整・ミューティングなどの処理をしてアンプへ入力しているようです。
そこで改造の方針としては、スピーカー内蔵カーラジオの改造 Ver1と同様に、ラジオ出力~ボリュームの3番ピンの音声経路へスイッチ付オーディオジャックでAUX信号を割り込ませることにします。
ラジオ信号がジャンパー線を通っている部分がある為、パターンカットをせずにAUXを割り込ませることができそうです。
また、写真では小さくてわかりにくいのですが、ボリュームの1番ピン(GND)配線はアンプICのGND端子まで引っ張ったうえで1点アースされています。高級オーディオみたいです。
よってAUXのGNDはボリュームの1番ピンではなく、アンプICのGND端子のすぐ近くに出ているGNDのジャンパー線へ接続するのが良さそうです。

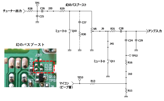
音声回路に関係のある部分を図にしてみました。
ラジオからの出力はR28・C25のLPFを通り、直流カットコンデンサC26とR29を経てボリュームへ入ります。
途中ミューティング電子スイッチがあり、選局・AM/FM切り替えのノイズをミュートしています。
回路図ではR29・C27・R30がバスブースト回路になっているように見えますが、入手したラジオではC27・R30が実装されていないため幻となっています。
ボリュームを通った信号はマイコンからのビープ信号と共にアンプへ入力されています。
アンプの手前にもミューティング電子スイッチがありますが、調べたところミュート1と2はともに選局操作時に動作するようです。
2、AUX(外部ライン入力)端子増設
2-1、端子の取り付け

ボリュームの上にスペースがありますのでそこへAUX端子を取り付けました。
中の鉄板に穴をあけてジャックを固定し、プラスチックカバーにもAUXケーブルを通すための穴をあければ端子増設は完了です。
取り付け部でジャックがフレームへアースされるのが気になる方は、GNDが絶縁されている(全体が樹脂でおおわれている)タイプのジャックをご使用ください。
2-2-1、配線 - 方法1
ラジオ音声経路中のジャンパー線(J20)へAUXを割り込ませる方法です。
メリット:ジャンパー線を取り外して配線するだけのため、チップ部品へハンダゴテをあてる必要がなく配線が簡単です。
デメリット:AUXを聴いている際にラジオ操作ボタンに触れるとAUXがミュートされます。
※ミュート1・2を共に取り外せばデメリットは解消できますが、ラジオ選局時に「ボツッ」というノイズが入るようになります。
2-2-2、配線 - 方法2
ラジオ音声をジャンパー線(J20)から取り出し、AUXを割り込ませたのちボリュームの3番ピンへ入力する方法です。私はこちらの方法で接続しています。

メリット:ミュート1を残すことでラジオ選局時のミュート機能は残したまま、方法1の問題点であるAUXを聴いている際にラジオを操作するとAUXがミュートされる問題を解消します。
デメリット:改造箇所が多く、またミュート2を外すため選局操作時に若干マイコンのノイズが入ります。(小さい音のため私は気になりません)
3、フィルタの取り外し
AUXとは直接関係ありませんが、元の回路はLPFがかかっており、好みではない音質であったため改造ついでにコンデンサを取り外しました。
ラジオの出力部分にR28/C25からなるLPFがありますのでC25を取り外しました。
また、アンプ入力部にもR31/C29からなるLPFがありますのでC29を取り外しました。
元々チューナーモジュール自体から高音が出ていないようで、期待したほどの効果はありませんでした・・・。
4、液晶バックライト電源連動化
39101-82M12の液晶バックライトは、ACCが通電している場合に点灯、つまり昼でも常時点灯です。これをラジオ連動やILL連動に改造します。
回路の調査
改造するために、まずは回路を調べました。電源周りやアンプ周りに注目して回路をトレースしてみました。
モデルチェンジにより基板上の部品番号等が変更になっている可能性があります。事故防止のため、改造される際はお持ちのラジオをご自身でパターントレースして回路をご確認のうえ作業いただきますようお願いいたします。

パターンをトレースしてみると、以下のことが分かりました。
- 常時電源はマイコンにのみ使用されオーディオ電源は全てACC
- 電源ON/OFF制御は機械式スイッチ
- LED用の電源は独立
- LEDの安定化は定電圧電源+抵抗
最近のカーオーディオでは、アンプの電源は全て常時電源(BATT電源・メイン電源)から取り、アンプICのスタンバイ端子や半導体スイッチをマイコンで制御するという構成が多いのですが、このラジオは昭和のカーオーディオのような構成になっています。
引っ張って押し込んでメモリーする機械式カーラジオの時代は、オーディオ用の常時電源は存在せずACC電源だけでした。
もちろん電源スイッチはボリュームと一体化した機械式スイッチで、直接DC12V電源をON/OFFしていました。
その後マイコンが登場してくると常時電源が必要になるのですが、数台ばらした中ではアンプの電源もACCから取っていました。
90年代頃までのオーディオハーネスでは、常時電源は「メイン・BATT」ではなく「バックアップ電源」と書かれており、文字通り時計とラジオのメモリーをするためだけを想定した電源でした。
続いてLED周辺を見てみます。39101-82M12のLED電源は独立しており、しかも教科書に載っているような基礎的な定電圧回路です。
これは改造がしやすいです!
ツェナーダイオードを変えれば簡単に電圧、つまり明るさを変えられますし、12Vを別のところからとってくればILL連動でも、ルームランプ連動でも、ラジオ連動でも、何でも簡単にできます。
LEDのパターンは1個用と2直列用のどちらにも対応するようになっています。
私の入手したラジオでは1個でしたが、車種によって違うのでしょうか?
ラジオ電源連動・イルミ連動化
それでは常時点灯をキャンセルし、ラジオ電源連動に改造してみます。ILL連動にする場合は、接続先がラジオ内部の電源ではなく、ハーネスのILL電源となります。

回路図で示した部分のパターン写真です。
LED関係の回路は近くにまとめて配置されており、ジャンパー(0Ω抵抗) J36 一本でACCラインから12Vが給電されています。
よって、J36を取外し、電源SW連動ラインから給電するようにすれば電源SW連動点灯に改造できます。

改造部の回路図と、電源SW連動へ改造した写真を示します。
配線には、被覆付きの単芯線を使用しました。むき出しのスズメッキ線ですとアース短絡する恐れがあり、撚り線ではカッチリと固定できずパターンに負担がかかるためです。
SW連動の場合は配線は短く、単芯線を使えばスイッチの足へハンダ付けすることで固定できるため安定して固定できます。
一方、ILL電源へ接続する場合はJ36の小さなパターンから撚り線を引き出すことになります。
小さなパターンは非常にはがれやすいため、撚り線をはんだ付けした部分はグルーガン等で固めて補強することをおススメします。
なお、定電圧電源回路をスキップし、R11を取り外して適当な抵抗を通して12V電源からLED電源を取ってくる配線はおススメしません。
定電圧電源回路がないとLEDに流れる電流を一定にすることが出来なくなり、12V電源の電圧変動に応じて明るさが変わってしまうためです。
例えば、バッテリーが弱っているとハザードフラッシャーに合わせて明るくなったり暗くなったりする可能性があります。

以上の改造で、バックライトがラジオの電源に連動するようになりました。
※LED色は純正から変えています。